
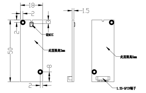
产品结构和尺寸
拾音麦规格
灵敏度 Conditions:94 dB SPL @ 1 kHz, A-weighted;-38dBV/Pa
信噪比 Conditions:94 dB SPL @ 1 kHz, A-weighted;65 dB(A)
降噪 录音降噪、消回音 低噪声输入缓冲器和输出放大器
拾音距离 ≤5米
接口定义
5PIN 1.25 间距的接口定义:
|
PIN 定义
|
1 脚
|
VCC 5V(红色)
|
|
|
2 脚
|
DP(绿色)
|
|
|
3 脚
|
DM(白色)
|
|
|
4 脚
|
GND(黑色)
|
|
|
5 脚
|
屏蔽线(黑色)
|